メーカー名:RLS

商品のお問い合わせ

3071 キャップ継手 火無し銅配管継手

材質

本体
ASTM-B75及びASTM-B743

商品仕様

用途
低温・空調設備
最大連続使用温度
121℃
最大使用圧力
4.8MPa
最小破壊圧力(UL207)
14.5MPa
耐真空圧
20Microns
耐振動性
UL109に準拠
適合オイル
鉱物油、POE、PVE、PAG
適合銅管規格
ASTM B280

【特長】

およそ10秒で施工完了
低温・空調関連の使用は4.8MPaまで対応
施工の作業時間を約77%削減
作業に必要な機材が少なく、工程を削減
火災のリスクゼロ
火気使用申請をせず施工可能
火気が使用できない現場でも施工可能

【注意事項】

腐食性などのある流体を流さないでください。
高速度で流体が流れる配管や、波打つような配管には使用しないでください。
傷や打痕のある継手を使用しないでください。
高圧の電線と接続したり、アースとして接続したりしないでください。

3071 キャップ継手 火無し銅配管継手
数量を入力して 買い物かごに入れる

※チェックボックスはお気に入り登録用です

数量を入力して 買い物かごに入れる

※チェックボックスはお気に入り登録用です

3071 キャップ継手 火無し銅配管継手
お気に入り
発注
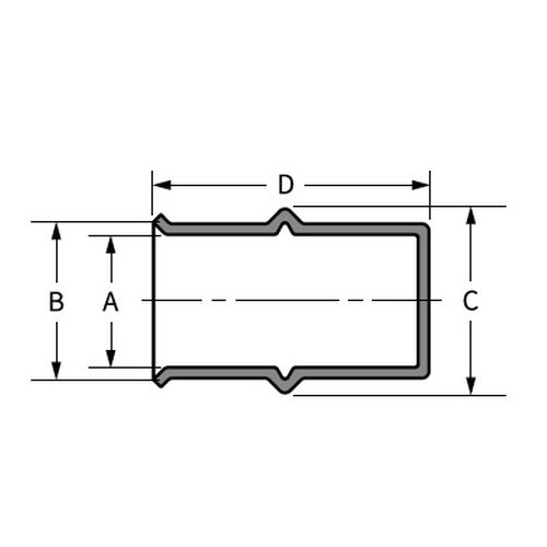
コード
品番
サイズ
A(mm)
B(mm)
C(mm)
D(mm)
出荷目安
参考標準価格販売価格(税抜)
価格
数量
1422968
3071-040000-111
1/4
6.6
8.6
11.4
36.8
3営業日
1,900円 1,425円
参考標準価格
1,900円
販売価格(税抜)
1,425円
1422969
3071-050000-111
5/16
8.1
10.2
13.2
36.8
別途ご案内
2,000円 1,500円
参考標準価格
2,000円
販売価格(税抜)
1,500円
1422970
3071-060000-111
3/8
9.9
11.9
15.0
36.8
3営業日
3,100円 2,325円
参考標準価格
3,100円
販売価格(税抜)
2,325円
1422971
3071-080000-111
1/2
13.0
15.0
18.3
50.0
3営業日
3,800円 2,850円
参考標準価格
3,800円
販売価格(税抜)
2,850円
1422972
3071-100000-111
5/8
16.3
18.8
22.1
50.3
3営業日
3,900円 2,925円
参考標準価格
3,900円
販売価格(税抜)
2,925円
1422973
3071-120000-111
3/4
19.3
22.4
26.7
50.0
3営業日
5,000円 3,750円
参考標準価格
5,000円
販売価格(税抜)
3,750円
1422974
3071-140000-111
7/8
22.6
25.9
30.2
48.3
3営業日
4,900円 3,675円
参考標準価格
4,900円
販売価格(税抜)
3,675円
1422975
3071-160000-111
1
25.7
29.5
34.5
50.8
3営業日
5,300円 3,975円
参考標準価格
5,300円
販売価格(税抜)
3,975円
1422976
3071-180000-111
1-1/8
29.0
32.8
36.8
50.5
3営業日
5,500円 4,125円
参考標準価格
5,500円
販売価格(税抜)
4,125円
1422977
3071-200000-111
1-1/4
32.0
35.8
41.1
63.5
3営業日
6,600円 4,950円
参考標準価格
6,600円
販売価格(税抜)
4,950円
1422978
3071-220000-111
1-3/8
35.3
39.1
44.5
63.2
3営業日
6,800円 5,100円
参考標準価格
6,800円
販売価格(税抜)
5,100円
在庫品

メイン倉庫在庫品
平日12時までのご注文で当日出荷可能

3営業日

ご注文から3営業日以内に出荷可能
(揃い次第即出荷)

5営業日

ご注文から5営業日以内に出荷可能
(揃い次第即出荷)

10営業日

ご注文から10営業日以内に出荷可能
(揃い次第即出荷)

別途ご案内

受注生産、特殊品など都度ご案内が必要な商品

メーカー直送

メーカーより直送

取寄品

メーカーより取り寄せした後出荷
(見積り機能で納期確認可能)

アウトレット

アウトレット在庫品
(無くなり次第終了)

ご質問、ご不明点等ございましたら、お気軽にお問合せフォーム、もしくはお電話にてご連絡ください。

電話

0120ー977ー642
(平日9:00~12:00/13:00~17:00)

会員登録

ご登録いただくだけで10%OFFクーポンプレゼント!
登録手続きも必要情報の入力だけで簡単完了!
ご登録前の買い物かごに入れた商品もそのまま!

プレゼント
新規会員登録へ
管材プロ.comの会員登録でつのメリットがあります。
  • 10%OFFクーポンプレゼント
  • 見積り機能がご利用可能
  • 掲載外商品もお見積りが可能
  • ご購入ガイドプレゼント
  • お気に入り・グループ機能が利用可能
  • メールマガジンでお得な情報を定期的にお届け
  • 納入先の事前登録が可能(何ヵ所でも)

※ご購入ガイドは会員登録後数日で郵送いたします。

ご注文の流れ

簡単3ステップ

ご注文完了後、内容をご確認いただけるメールをお送りいたします。

出荷について

平日12時までのご注文で在庫品は当日出荷!
在庫品は千葉県習志野市の倉庫から出荷となります。
全国の物流ネットワークを駆使して商品をお届けします!

日本全国発送可能
出荷目安の見方
在庫品 メイン倉庫在庫品 12時までのご注文で当日出荷可能
3営業日 ご注文から3営業日以内に出荷可能(メーカーより取り寄せ)
5営業日 ご注文から5営業日以内に出荷可能(メーカーより取り寄せ)
10営業日 ご注文から10営業日以内に出荷可能(メーカーより取り寄せ)
別途ご案内 受注生産、特殊品など都度ご案内が必要な商品
メーカー直送 メーカーより直送
取寄品 メーカーより取り寄せした後出荷(見積り機能で納期確認可能)
アウトレット アウトレット在庫品(無くなり次第終了)

在庫のある商品は、弊社営業日(土日・祝日・夏季・年末年始除く)12時までのご注文で当日出荷いたします。

出荷日の確定については別途メールにてお知らせいたします。

※複数の商品をご注文いただいた場合、全ての商品が揃い次第の発送が基本となります。出荷倉庫は複数になる場合がございます。メーカー欠品等、出荷目安通りに出荷できない場合はご相談させていただく場合がございます。

お支払い方法

●クレジットカード(一括払い)

VISA、Master、JCB、ダイナース、アメリカン・エキスプレスがご利用いただけます

VISA Master JCB Diners Amex

お支払い回数は「一括払い」のみとなります。
カード手数料のご負担はございません。
お客様とクレジットカード会社との間で定める規定に従って代金をお支払いいただきます。
当社からクレジットカード会社への請求日付は、商品の「出荷日※」となります。
(※メーカー直送の場合1日後になる場合があります)

管材プロ.comでは、本人認証サービス「3Dセキュア2.0」を導入しております。
決済時に本人認証画面が表示される場合ございます。
「3Dセキュア2.0」についてはこちらもご確認ください。

●請求書払い(ネットプロテクションズによる掛け払い)
簡単! 便利! 手数料無し!

法人/個人事業主を対象とした掛け払い(後払い)サービスです。
株式会社ネットプロテクションズによるサービスで月額最大300万円までご利用が可能です※
※審査の結果により別のお支払方法をお選びいただくか、ご注文をお断りする場合がございます。

NP掛け払い

コンビニの払込票、または銀行振込(※)にてお支払いください。
※銀行振込手数料はお客様ご負担となります

〇ご請求書の発行について

クレジット決済をお選びの場合は、ご請求書の発行は承っておりません。
NP掛け払いをお選びの場合は、ご購入時にお選びいただいた方法(メール or 請求書)にて
商品出荷日の翌月第4営業日に発行されます。

〇納品書について

当サイトでは納品書のご用意はございません。

送料について

1回のご注文金額5,000円以上(税抜)で送料無料!

沖縄、離島を除く全地域への出荷は5,000円未満(税抜)の場合、一律1,000円となります。
重量・長尺物・受注生産品等の場合、上記と異なる場合がございます。
商品、数量、送り先をお問合せフォームにご記入いただき、お問合せください。
ご不明点等ございましたら、お気軽にお電話にてお問合せください。

電話

0120ー977ー642
(平日9:00~12:00/13:00~17:00)

見積り機能

決裁処理などでお見積書が必要 決裁処理などでお見積書が必要
在庫状況や正確な納期を知りたい場合 在庫状況や正確な納期を知りたい場合
まとめ買いや高額商品について相談したい まとめ買いや高額商品について相談したい

会員登録いただいたお客様は見積り機能がご利用いただけます。
ご利用方法はとっても簡単♪

簡単3ステップ

弊社からのお見積り回答が届きましたら「マイページ」→「見積履歴」より
お選びいただき、ワンボタンで買い物かごから開始できます。

お見積り機能の使い方はこちら

領収書の発行

全てのご注文について、出荷が完了し社内処理をいたしますので3日以内にサイトへ反映されます。
「マイページ」 → 「web利用履歴」 → 該当の注文を選択し、
詳細画面が開きましたら「領収書を発行する」をクリックしてください。

その他

●キャンセル、返品、交換について

当サイトでは商品発送後のキャンセル、返品、交換は承っておりません。
また、発送前の場合でも受注生産、メーカーの対応状況によりキャンセルをお受けできない場合がございます。
ご注文の際は、商品のお間違いがないようご確認をお願いいたします。
商品の瑕疵、または数量不足などございましたら、お問合せフォーム・お電話にてご連絡ください。

電話

0120ー977ー642
(平日9:00~12:00/13:00~17:00)

●商品単価(価格)について

当サイトの表示価格は、すべて「税抜」となっております。
買い物かご画面では商品合計、送料やお値引き、税額、総計を表示しております。